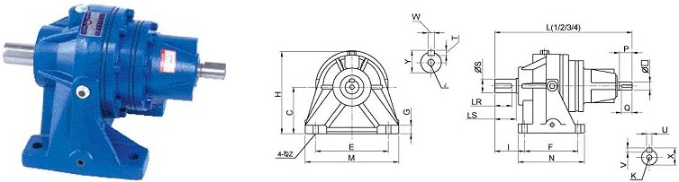
**三亚牌HS卧式减速机 SANYA牌HS双轴型减速机尺寸图
来源:
|
作者:pro25b703
|
发布时间 :1819天前
|
1335 次浏览:
|
🔊 点击朗读正文
❚❚
▶
|
分享到:
**三亚牌HS卧式减速机 SANYA牌HS双轴型减速机尺寸图:HS200/HS280/HS300/HS300H/HS301/HS301H/HS303/HS305/HS307/HS309/HS313尺寸图
**三亚牌HS卧式减速机 SANYA牌HS双轴型减速机尺寸图
**三亚SANYA牌HS卧式减速机、三亚牌HS双轴型游星减速机基座号:HS200、HS280、HS300、HS301、HS303、HS305、HS307、HS309、HS313;
三亚牌游星式减速机体积小,效率高背隙低,高扭力耐冲击。可用于重负荷之场合。入力功率从1/4HP-150HP,减速比从1/3.57-1/2936.8,四段减**率也可达到90%以上,可配合多个厂牌马达使用。三亚工厂又较严格之品质管制,为机械业界提供传动减速机。

|
Size
|
法兰 Flange
|
出力轴 Output Shaft
|
键 Key
|
|
C
|
E
|
F
|
G
|
H
|
I
|
M
|
N
|
Z
|
LR
|
LS
|
S
|
J
|
T
|
W
|
Y
|
|
200
|
90
|
140
|
90
|
13
|
150
|
53
|
156
|
120
|
4-12
|
30
|
35
|
24
|
M 8
|
7
|
8
|
27
|
|
280
|
110
|
170
|
125
|
20
|
185
|
72
|
210
|
155
|
4-12
|
40
|
50
|
32
|
M 10
|
8
|
10
|
35
|
|
300
|
140
|
200
|
160
|
25
|
233
|
78
|
260
|
200
|
4-18
|
50
|
58
|
38
|
M 12
|
8
|
10
|
41
|
|
300H
|
190
|
200
|
160
|
25
|
283
|
78
|
260
|
200
|
4-18
|
50
|
58
|
38
|
M 12
|
8
|
10
|
41
|
|
301
|
140
|
200
|
160
|
25
|
233
|
104
|
260
|
200
|
4-18
|
70
|
82
|
50
|
M 16
|
9
|
14
|
53.5
|
|
301H
|
190
|
200
|
160
|
25
|
283
|
104
|
260
|
200
|
4-18
|
70
|
82
|
50
|
M 16
|
9
|
14
|
53.5
|
|
303
|
210
|
300
|
250
|
35
|
332
|
128
|
370
|
305
|
4-22
|
80
|
95
|
55
|
M 16
|
10
|
16
|
59
|
|
305
|
210
|
300
|
250
|
35
|
332
|
138
|
370
|
305
|
4-22
|
90
|
105
|
60
|
M 20
|
11
|
18
|
64
|
|
307
|
250
|
365
|
356
|
45
|
425
|
175
|
445
|
436
|
4-28
|
110
|
130
|
80
|
PCD-55
3-M12
|
14
|
22
|
85
|
|
309
|
250
|
365
|
356
|
45
|
425
|
215
|
445
|
436
|
4-28
|
150
|
170
|
90
|
PCD-55
3-M12
|
14
|
25
|
95
|
|
313
|
280
|
457
|
470
|
40
|
507
|
291
|
560
|
590
|
4-28
|
180
|
200
|
120
|
PCD-70
3-M16
|
18
|
32
|
127
|
|
长度表 LENGTH TABLE *in mollimeter
|
|
一段式 Stage 1
|
|
Size
|
L
|
入力轴 Input Shaft
|
键 Key
|
|
O
|
P
|
Q
|
K
|
V
|
U
|
X
|
|
200
|
252
|
19
|
30
|
20
|
M 6
|
6
|
6
|
21.5
|
|
280
|
297
|
24
|
40
|
35
|
M 8
|
7
|
8
|
27
|
|
300H
|
362
|
38
|
58
|
45
|
M 10
|
8
|
10
|
41
|
|
301H
|
400
|
38
|
58
|
45
|
M 10
|
8
|
10
|
41
|
|
303
|
502
|
50
|
82
|
70
|
M 12
|
9
|
14
|
53.5
|
|
305
|
512
|
50
|
82
|
70
|
M 12
|
9
|
14
|
53.5
|
|
307
|
725
|
60
|
105
|
90
|
M 14
|
11
|
18
|
64
|
|
309
|
745
|
60
|
105
|
90
|
M 14
|
11
|
18
|
64
|
|
313
|
1059
|
80
|
130
|
110
|
PCD-55
3-M12
|
14
|
22
|
85
|
|
|
二段式 Stage 2
|
|
Size
|
L
|
入力轴 Input Shaft
|
键 Key
|
|
O
|
P
|
Q
|
K
|
V
|
U
|
X
|
|
200
|
282
|
19
|
30
|
20
|
M 6
|
6
|
6
|
22
|
|
280
|
331
|
24
|
40
|
35
|
M 8
|
7
|
8
|
27
|
|
300H
|
370
|
24
|
40
|
35
|
M 8
|
7
|
8
|
27
|
|
301H
|
442
|
38
|
58
|
45
|
M 10
|
8
|
10
|
41
|
|
303
|
521
|
38
|
58
|
45
|
M 10
|
8
|
10
|
41
|
|
305
|
531
|
38
|
58
|
45
|
M 10
|
8
|
10
|
41
|
|
307
|
729
|
50
|
82
|
70
|
M 12
|
9
|
14
|
54
|
|
309
|
769
|
50
|
82
|
70
|
M 12
|
9
|
14
|
54
|
|
313
|
1103
|
60
|
105
|
90
|
M 14
|
11
|
18
|
64
|
|
|
三段式 Stage 3
|
|
Size
|
L
|
入力轴 Input Shaft
|
键 Key
|
|
O
|
P
|
Q
|
K
|
V
|
U
|
X
|
|
200
|
312
|
19
|
30
|
20
|
M 6
|
6
|
6
|
21.5
|
|
280
|
366
|
24
|
40
|
35
|
M 8
|
7
|
8
|
27
|
|
300H
|
406
|
24
|
40
|
35
|
M 8
|
7
|
8
|
27
|
|
301H
|
450
|
24
|
40
|
35
|
M 8
|
7
|
8
|
27
|
|
303
|
563
|
38
|
58
|
45
|
M 10
|
8
|
10
|
41
|
|
305
|
573
|
38
|
58
|
45
|
M 10
|
8
|
10
|
41
|
|
307
|
748
|
38
|
58
|
45
|
M 10
|
8
|
10
|
41
|
|
309
|
788
|
38
|
58
|
45
|
M 10
|
8
|
10
|
41
|
|
313
|
1126
|
50
|
82
|
70
|
M 12
|
9
|
14
|
53.5
|
|
|
四段式 Stage 4
|
|
Size
|
L
|
入力轴 Input Shaft
|
键 Key
|
|
O
|
P
|
Q
|
K
|
V
|
U
|
X
|
|
200
|
342
|
19
|
30
|
20
|
M 6
|
6
|
6
|
21.5
|
|
280
|
400
|
24
|
40
|
35
|
M 8
|
7
|
8
|
27
|
|
300H
|
439
|
24
|
40
|
35
|
M 8
|
7
|
8
|
27
|
|
301H
|
484
|
24
|
40
|
35
|
M 8
|
7
|
8
|
27
|
|
303
|
571
|
24
|
40
|
35
|
M 8
|
7
|
8
|
27
|
|
305
|
581
|
24
|
40
|
35
|
M 8
|
7
|
8
|
27
|
|
307
|
790
|
38
|
58
|
45
|
M 10
|
8
|
10
|
41
|
|
309
|
830
|
38
|
58
|
45
|
M 10
|
8
|
10
|
41
|
|
313
|
1145
|
38
|
58
|
45
|
M 10
|
8
|
10
|
41
|
|
|