
GVM立式马达齿轮减速机,齿轮减速机是通过齿轮变速,减速机一旦选好速比,就不能改变,减速机的作用降速同时提高输出扭矩改变传动力矩。
GVM立式马达齿轮减速机
齿轮减速机是通过齿轮变速,减速机一旦选好速比,就不能改变,减速机的作用降速同时提高输出扭矩改变传动力矩。
齿轮减速机订购方式:1.型号.2.出力轴.3.马力.4.减速比
1、型号表示方式:
GH( 卧式安装、含电机);
GV(立式安装、含电机);
GHM(卧式入力法兰齿轮减速机、自配马达);
GVM(立式入力法兰齿轮减速机、自配马达);
GHD(卧式双轴齿轮减速机);
GVD(立式双轴齿轮减速机)。
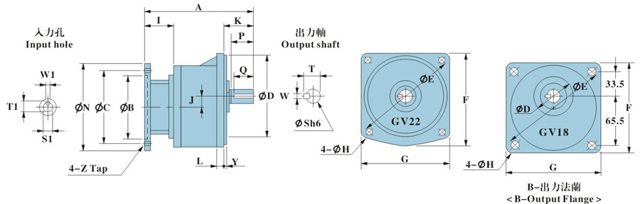
2、出力轴表示方式:Φ18.Φ22.Φ28.Φ32.Φ40.Φ45.Φ50。
3、马力表示方式:75W.100W.200W.400W.750W.1100W.1500W.2200W.3000W.3700W。
4、减速比表示方式:3.5.10.15....1800。
本系列齿轮减速电机可应用于包装、印刷、电工电气、化工、环保、,纺织印染、制药、冶金、矿山、起重、水泥、建筑、运输等各种**机械设备的减速传动机构。
|
本站部分素材来自互联网,如果您发现本站上有侵犯您的知识产权的作品,请与我们取得联系,我们会及时删除。
版权所属苏州菲曼德 未经许可 严禁复制 Copyright © 2017-2025 Feimande All Rights Reserved