

2HB920H27-16.5kw高压风机
2HB920H27高压风机产品性能参数:
型号(3AC) | 单/双叶轮 | 频率(Hz) | 功率(kw) | 排吸流量(m³/h) | 真空压力(mbar) | 压缩压力(mbar) | 重量(kg) |
2HB920H27 | 双 | 50 | 16.5 | 1110 | -420 | 370 | 197 |
60 | 19 | 1310 | -340 | 320 |
2HB920系列高压风机工作曲线:
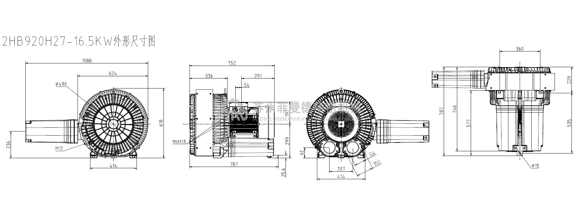
2HB920-H27-16.5kw高压风机产品安装尺寸:

其他参数详见产品样册。
注意:因产品模具及外观更换使等参数可能会更改,恕不另行通知。
Attention: Specifications are subject to change without notice for further improvement.
本站部分素材来自互联网,如果您发现本站上有侵犯您的知识产权的作品,请与我们取得联系,我们会及时删除。
版权所属苏州菲曼德 未经许可 严禁复制 Copyright © 2017-2025 Feimande All Rights Reserved